Minigrúa articulada sobre orugas homologada para elevación de personas
36 m | MC100
Acceso en altura en zonas difíciles: minigrúa sobre orugas con cesta EN280 para trabajar con seguridad donde un camión le es imposible acceder.
Minigrúa articulada sobre orugas homologada para elevación de personas. Solución compacta para trabajos de mantenimiento e instalación en entornos de difícil acceso, interiores industriales y terrenos complicados. Permite posicionamiento preciso y control seguro desde la cesta, cumpliendo normativa EN280 para trabajos en altura.
36
34
200 kg
( 2 personas)
5,6
2,9
20
| Información técnica | |
|---|---|
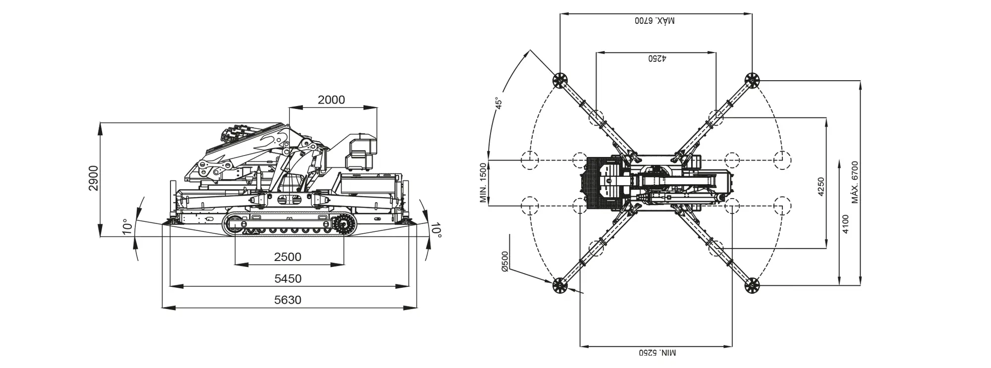
| Altura de trabajo (máx.) | 36 m |
| Altura de la plataforma | 34 m |
| Alcance de trabajo horizontal (máx.) | 34 m |
| Capacidad de carga en cesta (peso máx. | personas ) | 200 kg | 2 |
| Movimiento de la corona de giro | 360° |
| Velocidad del viento máxima permitida | 12,5 m/s |
| Cesta / Plataforma de trabajo | 2FM12CL |
| Peso total (Grúa: 13.850 kg | Contrapeso: 3.500 kg | JIB: 1.200 kg | Cesta:1.760) | 20.310 kg |
| Dimensiones en modo transporte | |
|---|---|
| Longitud de la plataforma | 5,63 m |
| Anchura | 1,84m |
| Altura | 2,90 m |
| Sistema de apoyo - Estabilizadores | |
|---|---|
| Anchura máxima entre estabilizadores | 6,7 m |
| Anchura de estabilizadores en un lado de trabajo | 4,1 m |
| Longitud entre estabilizadores delanteros y traseros | 6,7 m |
Trabajos donde mejor encaja
Aplicaciones principales de la
Minigrúa articulada sobre orugas homologada para elevación de personas
La minigrúa articulada sobre orugas homologada para elevación de personas es la solución ideal cuando el acceso es complicado y los equipos convencionales no pueden trabajar. Su diseño compacto y su capacidad de maniobra la convierten en un equipo clave para intervenciones técnicas en entornos exigentes.
Sus principales aplicaciones son:
Trabajos en interiores industriales
Perfecta para mantenimiento, instalaciones y reparaciones dentro de fábricas, naves industriales o plantas donde el espacio es limitado y no pueden acceder equipos de gran tamaño.
Accesos complejos y espacios reducidos
Ideal para trabajar en patios interiores, cubiertas, zonas con obstáculos o accesos estrechos donde una plataforma sobre camión no puede operar.
Mantenimiento técnico en altura
Intervenciones en instalaciones eléctricas, climatización, sistemas industriales y equipos técnicos situados en altura.
Rehabilitación y mantenimiento de edificios
Trabajos en fachadas, estructuras interiores, patios de luces o zonas protegidas donde se requiere precisión y mínimo impacto.
Instalaciones especiales y entornos sensibles
Apta para trabajos en lugares donde se requiere control total de la maniobra, como hospitales, centros logísticos, instalaciones energéticas o espacios con limitaciones de carga.
Trabajos donde prima la precisión y seguridad
Gracias a su control desde la cesta y su estabilidad, permite realizar maniobras delicadas con mayor seguridad y visibilidad directa.
FAQs
Preguntas frecuentes sobre Plataformas elevadoras móviles de personal
¿Qué es una PEMP 36 m MC100?
La PEMP 36 m MC100 es una minigrúa articulada sobre orugas homologada para elevación de personas, diseñada para trabajar con seguridad en zonas donde un camión no puede acceder. Está equipada con cesta homologada EN280 para trabajos en altura.
¿Qué tipo de puentes puede cubrir este equipo?
Se utiliza sobre todo en trabajos de mantenimiento, instalación e inspección en entornos de difícil acceso, interiores industriales, zonas con poco espacio y terrenos complicados.
¿Qué ventajas tiene frente a una plataforma sobre camión?
Su gran ventaja es que puede acceder a zonas difíciles donde una plataforma sobre camión no llega, ofreciendo además posicionamiento preciso y control seguro desde la cesta.
¿Es adecuada para interiores industriales y espacios reducidos?
Sí. Precisamente está planteada como una solución compacta para interiores industriales y trabajos en espacios complejos donde hace falta maniobrabilidad y acceso en altura con seguridad.
¿Se alquila con operador?
Sí, el enfoque de servicio de Transgruma es alquiler con operador especializado.
¿Elevamos tu proyecto?
Contáctanos hoy mismo para descubrir cómo podemos ayudarte a superar tus desafíos de elevación con seguridad y eficiencia.



